Паровой котел 1.5 т / 1500 кг / 1,7 кгс/cм² / 0,17 МПа / 130 °C - газ в Анадыре

  • Стабильная выработка сухого пара независимо от нагрузки котла
  • Высокая надежность конструкции благодаря отсутствию температурных расширений
  • Возможность подпитки котла даже холодной водой +5 ºС
Цена с НДС:
1 445 000 рублей
Цена с НДС на паровой котел 1.5 т / 1500 кг / 1,7 кгс/cм² / 0,17 МПа / 130 °C - газ с доставкой в
от 1 445 000 рублей
Условия в
В наличии на складе
Доставка ТК по России и Казахстану
Безналичный расчет
Есть в наличии
Можно купить в лизинг
Паровой газовый котел 1500 кг
Газовый паровой котел 1500 кг
Котел паровой 1500 кг на газе
Паровой котел 1500 кг на газе
Газовый паровой котел 1500 кг промышленный
Промышленный газовый паровой котел 1500 кг
Газовый паровой котел 1500 кг производственный
Производственный газовый паровой котел 1500 кг
Паровой газовый котел 1500 кг в час изготовление
Изготовление парового газового котла 1500 кг в час
Паровые котлы 1500 кг на газе производство
Производство паровых котлов 1500 кг на газе
Паровой газовый котел 1500 кг
Котел паровой 1500 кг на газе
Газовый паровой котел 1500 кг промышленный
Газовый паровой котел 1500 кг производственный
Паровой газовый котел 1500 кг в час изготовление
Паровые котлы 1500 кг на газе производство
Видеообзор
Вид топки Газовая горелка
Топливо Газ
Температура пара, не более 130 °С
Давление пара, не более 0.17 МПа
Технические
характеристики
Описание
товара
Комплект
поставки
Дополнительное
оборудование
Монтаж и схемы
подключения
Сертификаты
и гарантии

Технические характеристики парового котла 1.5 т / 1500 кг / 1,7 кгс/cм² / 0,17 МПа / 130 °C на газе низкого и среднего давления

Тип Паровой котел Е
Бренд STEAMEXPERT
Вид топки Газовая горелка
Конструкция котла Жаротрубный
Производительность 1500 кг/ч
Производительность 1.5 т/ч
Максимальная тепловая мощность 1.1 МВт
Диапазон регулирования мощности 40-100 %
Топливо Газ
Низшая теплота сгорания проектного топлива 8120 кКал/кг
КПД котла на УГЛЕ 90 %
Расход ГАЗА при максимальной нагрузке котла 149 м³/ч
Расход условного топлива 173 кг/ч
Температура пара, не более 130 °С
Давление пара, не более 0.17 МПа
Давление пара, не более 1.7 кгс/см²
Давление пара, не более 1.7 бар
Полный объем котла 4.36 м³
Объем паровой части 0.41 м³
Аэродинамическое сопротивление 43 (4.3) Па (мм. вод. ст.)
Тяга Естественная
Объем топочной камеры 2.58 м³
Размер топочной камеры, диаметр*глубина 1195х2300 мм
Присоединительные размеры выхода пара 150 Ду
Присоединительные размеры по водяному тракту 32 Ду
Присоединительные размеры по дымовым газам / дымовая труба 450 Ду
Габаритные размеры котла, длина*ширина*высота 4500х2050х2100 мм
Масса 4500 кг
Марка STEAMEXPERT
Энергоэффективность Высокая
Чертеж газового парового котла 1500 кг 130 С
Газовый паровой котел 1500 кг 130 С чертеж
Чертеж парового котла 1500 кг 130 С на газе
Паровой котел 1500 кг 130 С на газе чертеж

Конструкция и преимущества парового котла STEAMEXPERT 1.5 т / 1500 к / 1,7 кгс/cм² / 0,17 МПа / 130 °C - на газе в Анадыре

Промышленный прямоточный газовый паровой котел STEAMEXPERT Е 1.5 0.17 130 Г – выполняется напольной горизонтальной жаротрубной конструкцией. Сам котельный блок состоит из двух обечаек разного диаметра, вставленных одна в другую и соединенных между собой фланцами. Пространство между обечайками заполняется водой. В верхней части котла устанавливается полуцилиндр - это паросборная камера в которой собирается и сепарируется пар.

Обечайка меньшего диаметра (внутренняя) – это жаровая труба. В передней части жаровой трубы размещена топочная часть с отверстием под горелку, в задней части - конвективный пучок труб.

Благодаря большому объему нагреваемой в котле воды и зеркалу испарения, промышленные комбинированные паровые котлы на газе и дизельном топливе Е 1,5-0,17 с температурой пара 130 С имеют следующие преимущества:

  • потребитель получает сухой пар. Сепарационные устройства препятствуют выносу капель воды с зеркала испарения и капель конденсата образующихся на внутренних стенках паропроводов котла;
  • независимо от нагрузки происходит бесперебойная подача пара;
  • котел газовый паровой 1500 кг час не боится подпитки даже холодной водой;
  • тепловые расширения металла минимальны поэтому жаротрубный котел обладает высокой надежностью и долговечностью.

Для удобства обслуживания в процессе эксплуатации в конструкции котла предусмотрены следующие технические решения:

  • наружные сажистые отложения очищаются системой обдувки конвективного пакета паром прямо в процессе работы без остановки котла. Для осмотра конвективных поверхностей нагрева, в задней части газоплотный цилиндрический паровой котел КП 1.5 т на газу имеет люк.
  • в задней части котла устанавливается продувочный штуцер Ду 25 для удаления образующегося в котле шлама.
  • на паросборной камере и водомерной колонке установлен вентиль Ду 15 для спуска воздуха при подготовке к работе.
Паровой котел газовый с дымовой трубой

К фронтовой плите котельного блока крепится горелка для подачи топлива в топку котла через амбразуру. Котел Е 1 5 0 17 может работать с длинофакельными горелками различных производителей – отечественными EMMA и импортными UNIGAS, BALTUR, ECOSTAR, FBR S.R.L.в качестве топлива может применяться природный газ низкого и среднего давления, а также сжиженный газ.

На задней крышке котла в основании дымовой трубы выполнен предохранительный взрывной клапан.

Дымовая труба может проходить как по наружной стене помещения, так и через кровлю котельного помещения.

Производственный стационарный паровой котел высокого давления 0.17 на газу российского производства подпитывается из питательного бака через электронасос, соединительную арматуру.

Для подпитки желательно устанавливать два насоса – один рабочий и второй резервный.

На боковой части корпуса устанавливается водомерная колонка (датчик уровней воды) и два указателя уровня, связанная с паровым и водяным пространством котла соединительными трубками.

Применение паровых котлов

Наши жаротрубные паровые котлы на природном и сжиженном газе малой мощности 1.5 тонна пара Россия применяют при производстве ЖБИ изделий, для изготовления пенопласта, химические и фармацевтические предприятия, строительные организации, бетонные заводы, больницы, общественные заведения, воинские части, автоколонны, ДСУ, бани, предприятия нефтегазовой, кожевенной, перерабатывающей промышленности. В пищевой промышленности жаротрубный газовый паровой котел 1,5 т используют для разморозки, подогрева, пастеризации, стерилизации тары такие предприятия, как спиртзаводы, молочные заводы, птицефабрики для тепловой обработки кормов и ошпаривания птиц, мясокомбинаты и консервные заводы, хлебозаводы, мелькомбинаты, маслосырзаводы, свинокомплексы.

Монтаж котла
Газовый паровой котел схема

Стальной горизонтальный газовый паровой котел промышленный 1500 кг в час для производства пара поставляется блоками максимальной заводской готовности. Котельный блок устанавливается в котельной на специально подготовленную ровную поверхность. Котельный блок подсоединяется по воде, устанавливается запорная арматура на подводящем трубопроводе и отводящем паропроводе, устанавливаются предохранительные клапаны и контрольно-измерительные приборы. Подключается горелка и автоматика. Типовые монтажные схемы вы можете изучить в разделе схемы подключения данного товара.

Чтобы перевести котел паровой на газу производительностью 1500 кг в час в водогрейный режим достаточно изменить схему подключения и установить другие предохранительные клапана.

Купить газовый паровой котел Е 1.5-0.17-130 Г

Для того чтобы купить паровой котел на газе 1.5 т пара в час, давлением 0.17 МПа и температурой 130 С в Анадыре вы можете сделать заявку в отдел сбыта по телефону 8-800-700-06-43, либо оформить заявку через сайт или почту. Менеджеры дадут консультацию по подбору вспомогательного оборудования для выбранных вами моделей и рассчитают стоимость доставки. Доставка до вашего населенного пункта может осуществляться авто, железнодорожным и речным транспортом.

Если вы затрудняетесь с выбором нужной паропроизводительности, мы можем осуществить подбор, для этого нужно заполнить опросный лист или описать ваш техпроцесс.

Комплект поставки парового котла 1.5 т / 1500 кг / 1,7 кгс/cм² / 0,17 МПа / 130 °C на газе низкого и среднего давления

Цена парового котла 1.5 т / 1500 кг / 1,7 кгс/cм² / 0,17 МПа / 130 °C на газе низкого и среднего давления включает в себя предохранительные клапаны, запорную арматуру и КИП в пределах котла. Ниже приведена подробная информация.

Дополнительное оборудование парового котла 1.5 т / 1500 кг / 1,7 кгс/cм² / 0,17 МПа / 130 °C на газе низкого и среднего давления

Для эффективной и надежной работы парового котла 1.5 т / 1500 кг / 1,7 кгс/cм² / 0,17 МПа / 130 °C на газе низкого и среднего давления вам потребуется дополнительное оборудование - насос. Мы предлагаем рассмотреть типовые варианты комплектации.

В случае если у вас на объекте имеется насосное оборудование, мы можем проверить совместимость парового котла 1.5 т / 1500 кг / 1,7 кгс/cм² / 0,17 МПа / 130 °C на газе низкого и среднего давления нашего производства и вашего оборудования.

По необходимости устанавливаются золоуловители.

Типовую схему монтажа котла вы можете посмотреть во вкладке схемы подключения.

Монтаж и схемы подключения парового котла 1.5 т / 1500 кг / 1,7 кгс/cм² / 0,17 МПа / 130 °C на газе низкого и среднего давления

Жаротрубный паровой котел 1.5 т / 1500 кг / 1,7 кгс/cм² / 0,17 МПа / 130 °C - газ, предназначен для получения насыщенного пара температурой не более 130 °С и давлением не более 0,17 (1,7) МПа (кгс/cм²) для технологических целей в производстве. Устанавливается в производственных и промышленных котельных.

Монтаж и подключение парового котла 1.5 т / 1500 кг / 1,7 кгс/cм² / 0,17 МПа / 130 °C на газе низкого и среднего давления

План расстановки оборудования в паровой котельной

Для правильного подключения парового котла 1.5 т / 1500 кг / 1,7 кгс/cм² / 0,17 МПа / 130 °C на газе низкого и среднего давления в котельной необходимо оставить проемы для обслуживания оборудования во время эксплуатации. Эти расстояния рекомендованы СНИП II-35-76. На данной схеме представлены их размеры. Кроме того мы составили примерный план, как можно произвести расположение подключение оборудования, а также указали перечень минимально необходимого вспомогательного оборудования для работы котла.

К вспомогательному оборудованию при работе парового котла 1.5 т / 1500 кг / 1,7 кгс/cм² / 0,17 МПа / 130 °C на газе низкого и среднего давления относятся:

  • питательные насосы (1 рабочий, 2 резервный);
  • бак запаса воды;
  • охладитель проб отбора воды;
  • система водоподготовки котловой воды;
  • горелочное устройство;
  • автоматика котла.

Водоподготовительная установка подбирается на основе данных химического анализа воды, проводимого специализированной лабораторией.

Схема парового котла 1.5 т / 1500 кг / 1,7 кгс/cм² / 0,17 МПа / 130 °C на газе низкого и среднего давления

Схема

В передней части жаровой трубы размещена топка, а в задней части - конвективный пучок труб.

В верхней части котла приварен паросборник, представляющий собой полуцилиндр. На паросборной камере устанавливаются предохранительные клапаны и два штуцера Ду15, один для установки электроконтактного манометра, второй для спуска воздуха с котла при заполнении водой при подготовке к работе.

К фронтовой плите котла крепится газовая горелка для подачи топлива в топку котла через амбразуру.

На задней крышке в основании дымовой трубы выполнен предохранительный взрывной клапан.

Образующиеся в топочной камере продукты сгорания проходят конвективный пучок труб и выводятся через трубу дымовую, установленную на корпусе в хвостовой части котла.

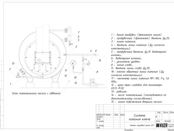
Система питания парового котла 1.5 т / 1500 кг / 1,7 кгс/cм² / 0,17 МПа / 130 °C на газе низкого и среднего давления

Система питания котла

При работе котла питание водой парового котла 1.5 т / 1500 кг / 1,7 кгс/cм² / 0,17 МПа / 130 °C на газе низкого и среднего давления производится через штуцер.

Подпитка котла ведется из питательного бака через насос, соединительную арматуру. На трубопроводе подпитки котла водой должно быть установлено запорное устройство и обратный клапан. Запорное устройство должно располагаться между котлом и обратным клапаном.

Для подпитки устанавливается не менее двух насосов с электроприводом. На стороне нагнетания каждого центробежного насоса до запорного органа должен быть установлен обратный клапан.

На трубопроводе выдачи пара, в непосредственной близости от котла, устанавливается запорное устройство.

На котле имеются продувочные штуцера Ду25, Ду15 и Ду10. Штуцер Ду25 предназначен для удаления шлама, образующегося в результате работы котла, периодической продувки котловой воды и для спуска воды в случае необходимости. Штуцер Ду15 предназначен для продувки водомерной колонки. Штуцера Ду10 предназначены для продувки указателей уровня.

В передней части жаровой трубы в верхней части установлена легкоплавкая пробка – предохранительное устройство прямого действия.

На боковой части корпуса устанавливается датчик уровней воды, связанный с паровым и водным пространством котла соединительными трубками не менее Ду25.

На боковой части корпуса устанавливается соединительная труба (колонка), служащая для установки двух указателей уровня, и связанная с паровым и водным пространством котла соединительными трубками не менее Ду25.

На боковой части корпуса внизу у котла имеется ревизия с крышкой, для периодического осмотра состояния поверхностей нагрева со стороны водяного объема.

Отвод пара парового котла 1.5 т / 1500 кг / 1,7 кгс/cм² / 0,17 МПа / 130 °C на газе низкого и среднего давления

Отвод пара {{parts_subject_r}}

Предохранительные клапаны предназначены для стравливания давления в паровом газовом котле при превышении допустимого значения. На котле установлены самопритирающиеся предохранительные клапаны КПС-0.5 пропускной способностью не менее часовой производительности котла.

Принцип работы клапана состоит в том, что при достижении паром номинального давления избыток пара выходит наружу. Клапана оборудованы ручным приводом для открывания при проверке их на срабатывание.

Щит управления совместно с электрооборудованием предназначен для управления работой парового котла 1.5 т / 1500 кг / 1,7 кгс/cм² / 0,17 МПа / 130 °C на газе низкого и среднего давления и защиты его при возникновении аварийных ситуаций. На двери щита расположены сигнальная лампа и органы управления работой котла, с табличками, указывающими их назначение. По месту либо на стенке щита крепится сигнальная сирена.

На паросборной камере устанавливается один электроконтактный манометр. При монтаже манометра, показывающего давление пара в котле, должна быть предусмотрена установка трехходового крана между манометром и сифонным устройством. Допускается установка других устройств, позволяющих контролировать показания рабочего манометра, путем подключения в систему контрольного манометра. Электроконтактный манометр выполняет роль датчика давления и предназначен для отключения дутьевого вентилятора и включения аварийной сигнализации при достижении паром предельно допустимого давления.

Датчик уровней служит для подачи команды на включение и отключение питательного насоса парового котла 1.5 т / 1500 кг / 1,7 кгс/cм² / 0,17 МПа / 130 °C на газе низкого и среднего давления в процессе работы.

Указатель уровня воды предназначен для визуального контроля за уровнем воды при работе котла. На корпусе указателя крепится рамка или наносятся метки, указывающие верхний и нижний уровень воды.

Легкоплавкая пробка предназначена для сброса пара во внутренний объем топочной камеры в случае упуска воды ниже аварийного уровня и достижения фактического уровня воды на работающем котле ниже верхней кромки жаровой трубы. При этом легкоплавкая пробка перестает охлаждаться котловой водой и нагревается до температуры газов в топочной камере. Из-за нагрева наполнитель легкоплавкой пробки плавится и выдавливается давлением пара в топочную камеру, при этом сбрасывается давление пара и дополнительно гасится пламя.

Сертификаты и гарантии парового котла 1.5 т / 1500 кг / 1,7 кгс/cм² / 0,17 МПа / 130 °C на газе низкого и среднего давления

Гарантийный срок на паровой котел 1.5 т / 1500 кг / 1,7 кгс/cм² / 0,17 МПа / 130 °C - газ 24 месяца.

Сертификат на котлы паровые КП
Сертификат на паровые котлы КП

Отзывы о продукции

Другая похожая продукция

Паровой газовый котел 1500 кг
Паровой котел 1.5 т / 1500 кг / 0,7 кгс/cм² / 0,07 МПа / 115 °C - газ
Вид топки Газовая горелка
Топливо Газ
Производительность, кг/ч 1500
Температура пара, не более, °С 110, 115
1 260 000 ₽
Паровой газовый котел 1500 кг
Паровой котел 1.5 т / 1500 кг / 9 кгс/cм² / 0,9 МПа / 170 °C - газ
Вид топки Газовая горелка
Топливо Газ
Производительность, кг/ч 1500
Температура пара, не более, °С 170
1 671 000 ₽
Паровой газовый котел 1000 кг
Паровой котел 1 т / 1000 кг / 1,7 кгс/cм² / 0,17 МПа / 130 °C - газ
Вид топки Газовая горелка
Топливо Газ
Производительность, кг/ч 1000
Температура пара, не более, °С 130
1 180 000 ₽
Паровой газовый котел 2000 кг
Паровой котел 2 т / 2000 кг / 1,7 кгс/cм² / 0,17 МПа / 130 °C - газ
Вид топки Газовая горелка
Топливо Газ
Производительность, кг/ч 2000
Температура пара, не более, °С 130
1 628 000 ₽