Габаритные размеры котла, длина*ширина*высота2975х1930х2250 мм
Масса2600 кг
Конструкция котлаводотрубная
Количество контуровОдноконтурный
РазмещениеНапольный
Тип камеры сгоранияОткрытый
УправлениеЭлектронное
Принцип работы твердотопливного котлаКлассический
ЭнергонезависимыйНет
Тип питанияТрехфазное
Встроенный циркуляционный насосНет
Встроенный расширительный бакНет
МаркаHeatExpert
ЭнергоэффективностьВысокая
Отапливаемая площадьот 8800 до 12700 м²
Отапливаемый объемот 26700 до 38100 м³
Котел на дровах 1.1 МВт с колосниками чертеж
Котел на дровах 1.1 МВт с колосниками чертеж фундамента
Котел на дровах 1100 кВт с ОУР чертеж
Котел на дровах 1100 кВт с ОУР чертеж фундамента
Водогрейный котел на дровах 1.1 МВт в Анадыре
Водогрейный котел на дровах мощностью 1.1 МВт предназначен для отопления и горячего водоснабжения жилых и административных зданий, больших промышленных помещений и производственных предприятий, работает с принудительной циркуляцией теплоносителя в закрытых и в открытых системах теплоснабжения.
Котел промышленный на дровах 1,1 МВт обеспечивает подогрев воды температурой до 95-115 °С с разностью на входе и выходе 25°С, рабочее давление котлов 0,6 (6,0) МПа (кгс/см). Диапазон регулирования нагрузки 50-100%.
Конструкции наших котлов на дровах 1,1 МВт максимально эффективны при сжигании древесного топлива.
Современный котельный блок
Котельный блок устанавливается на раму с опорами и имеет каркас с теплоизоляционными материалами, со съемной декоративной обшивкой. Обмуровка выполняется из минеральных матов и огнеупорного волока, обшивка из оцинкованной или листовой стали.
Большая газоплотная топка
Отопительный дровяной водогрейный котел 1,1 МВт нашего производства изготавливается с большой топочной камерой для удобной единовременной загрузки больших кусковых отходов древесины, дров, поленьев, поддонов, досок и прочее.
По вашему заданию мы можем изготовить котел с еще более увеличенными габаритами топочной камеры и проема для загрузки под ваши размеры древесных отходов.
Объемная и высокая топочная часть котла обеспечивает полное прогорание топлива, исключая недожег. Для догорания легких и мелких топливных частиц, которые могут захватиться потоком уходящих газов, на выходе из топки, перед конвективным пучком, установлена поворотная камера. Такая конструкция исключает вынос золы в конвективную часть и дымовую трубу, тем самым предотвращая отложения, ухудшающие коэффициент теплопередачи и износ поверхностей нагрева.
Промышленный котел дровяной 1.1 МВт изготавливается с топкой газоплотного исполнения. Газоплотная топка максимально снижает теплопотери и сохраняет свою герметичность даже при многократных растопках и остановках котлоагрегата.
Качественная теплоизоляция
Котлы водогрейные на дровах 1.1 МВт выполнены со съемной, облегченной изоляцией из плит ПТЭ. Плиты закрепляются на каркасе, обшивка теплоагрегата выполняется из стальных листов. Легкая изоляция обеспечивает компактность котла и делает его обслуживание простым и удобным.
Газоплотное исполнение топки и качественная теплоизоляция снижают потери тепла через стенки агрегата и окружающую среду и исключают присосы холодного воздуха в топку.
Конвективные поверхности нагрева
Дровяной производственный котел 1.1 МВт выполнен с конвективным пучком труб, расположенных в шахматном порядке. Шахматное расположение позволяет полностью омывать поверхности нагрева горячими газами, улучшая теплосъем. В нижней части конвективных пакетов находится зольный бункер с лазом для очистки от золы и сажи и осмотра труб конвективного пучка.
Вода движет в котле по многоходовой схеме. Большое количество перегородок, направляет поток по трубам максимально длинным путем, и нагрев теплоносителя происходит максимально быстро. Котел выходит на мощность в течение часа.
Вода движется с высокой скоростью, не образуя застойных зон. Все поверхности нагружены равномерно, котел расширяется равномерно. Прогар котельного блока в локальных зонах невозможен, течи по сварным швам из-за перегрева металла исключены.
После топки котла, газы выходят в плотный пучек конвективных поверхностей нагрева – они занимают более 50 процентов объема котла. Такая развитая поверхность нагрева котла, снижает температуру уходящих газов до 200-180 °С. Падение температуры уходящих газов повышает теплоотдачу и снижает расход топлива.
Напольные промышленные котлы на дровах 1 1 МВт просты в обслуживании и ремонте благодаря наличию люков для осмотра и очистки конвективных пакетов.
Водогрейный котел на дровах 1.1 МВт принцип работы
Котел стальной водогрейный на дровах 1,1 МВт выполняется с ручной колосниковой топкой и топкой ОУР.
Топливо в топку колосникового котла подается вручную. Под колосники с помощью вентилятора подают воздух, используемый для горения древесного топлива. Дрова забрасывают на топочную решетку через верхнюю топочную дверку, зола проваливается в отверстия колосников, либо выгребается через загрузочную дверцу. Под колосниковой решеткой котельный блок имеет воздушный короб с дверцей для очистки короба от золы. Короб также служит для распределения воздушного потока, поданного вентилятором. Для удобства обслуживания агрегата в конвективной части и на крыше котельного блока устанавливаются люки. Возможно выполнение выходного газового окна на задней стенке котельного блока или на крыше. В случае необходимости возможно изготовление опускных газоходов за котлом.
Тепловой нагревательный котел на дровах 1.1 МВт с водоохлаждаемой топкой ОУР предназначен для слоевого сжигания топлива. Водяные колосники состоят из ряда труб по которым движется теплоноситель. Постоянно циркулирующая в трубах вода охлаждает поверхности нагрева, тем самым исключая перегрев и прогорание. Между трубами вварены полосы металла с небольшими отверстиями для подачи воздуха в топку. Маленькие отверстия в полосе не дают провалиться в зольник недогоревшему топливу. Водогрейные котлы под дрова работают с принудительным поддувом, который обеспечивает дутьевой вентилятор.
Безопасная эксплуатация с КиП
Для обеспечения безопасных условий эксплуатации и расчетных режимов работы водяной производственный котел на дровах 1.1 МВт оснащается предохранительной и запорно-регулирующей арматурой, контрольно-измерительными приборами и приборами безопасности. Запорная арматура служит для отвода воды из агрегата в тепловую сеть, подвода обратной воды в котлоагрегат, слива воды из котла, для периодической продувки и удаления шлама. Контрольно-измерительные приборы, термометры и манометры обеспечивают измерение давления и температуры на входе и выходе воды из котла.
Шиберы вентилятора и дымососа помогут вам регулировать тягу в котле, чтобы воздуха было достаточно для сжигания всего топлива и дымосос не вытягивал дымовые газы, пока в них еще догорают мельчайшие частицы.
Стационарный водогрейный котел на дровах 1,1 МВт устанавливается в котельной на специально подготовленную ровную поверхность и закрепляется анкерными болтами. Далее подсоединяется по воде, устанавливается запорная арматура на подводящем и отводящем трубопроводе, устанавливаются предохранительные клапаны, дренажи, воздушники и контрольно измерительные приборы. В воздушный короб по месту врезается вентилятор, монтируется газоход.
Купить котел водогрейный на дровах 1.1 МВт
Для того, что бы купить дровяной водогрейный котел 1.1 МВт в Анадыре вы можете оформить заявку в отделе сбыта по телефону 8-800-700-06-43, либо оформить заявку он-лайн. Инженеры-консультанты помогут выбрать модели водогрейных и котельно-вспомогательное оборудование, рассчитают стоимость доставки до вашего региона и населенного пункта. Транспортирование котлоагрегатов может осуществляться транспортными компаниями, автомобильным транспортом, железнодорожным и речным видами транспорта.
Комплект поставки котла на дровах 1.1
Цена водогрейного котла на дровах 1.1 включает в себя запорную арматуру и КИП в пределах котла, вентилятор поддува и предохранительные клапаны. Ниже приведена подробная информация.
Для эффективной и надежной работы котла на дровах 1.1 вам потребуется дополнительное оборудование - автоматика, дымосос, золоуловитель, насос сетевой и подпиточный, газоходы и переходники для газового тракта, дымовая труба. Мы предлагаем рассмотреть типовые варианты комплектации. В случае если у вас на объекте имеется насосное и тягодутьевое оборудование, мы можем проверить совместимость котла на дровах 1.1 нашего производства и вашего оборудования. Можем изготовить нестандартные узлы для выполнения быстрого монтажа котла - газоходы и узлы обвязки. Типовую схему монтажа котла вы можете посмотреть во вкладке схемы подключения.
Водогрейный стальной отопительный котел на дровах 1.1, предназначен для получения горячей воды номинальной температурой на выходе из котла от 95 до 115 °С рабочим давлением до 0,6 (6,0) МПа (кгс/см), используемой в системах централизованного теплоснабжения на нужды отопления, горячего водоснабжения. Устанавливается в производственных, промышленных и отопительных котельных.
Монтаж и подключение котла на дровах 1.1
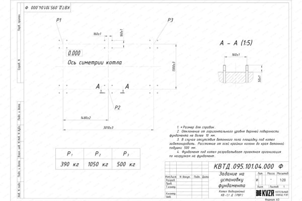
Для подключения котла на дровах 1.1 в котельном зале необходимо оставить проемы для обслуживания оборудования во время эксплуатации, согласно рекомендациям СНИП II-35-76. На данной схеме представлены размеры таких проёмов. Кроме того составлен примерный план, как можно произвести подключение оборудования, а также указан перечень необходимого вспомогательного оборудования для работы котла. К вспомогательному оборудованию относятся - автоматика котла, циркуляционный насос, подпиточный насос, бак запаса воды, расширительный мембранный бак, дымовая труба и дымосос, золоуловитель (по желанию).
Если подпиточная вода не соответствует требованиям к питательной воде, необходимо продумать систему водоподготовки котловой воды. Для котельных 1 категории, являющиеся единственным источником тепла системы теплоснабжения и обеспечивающие потребителей первой категории, не имеющих индивидуальных резервных источников тепла, необходимо предусмотреть полное резервирование оборудования - котлов, насосов, ТДМ. Пунктирной линией показано оборудование для резервирования. Для котельных 2 категории, включающие в себя промышленные и производственные котельные резервирование нужно предусматривать по необходимости.
Аэродинамическая схема котла
Воздух в водогрейный котел подается вентилятором поддува через топочный короб под слой древесного топлива для обеспечения горения. На боковой панели топки котла имеется пробоотборочный штуцер для подключения манометра и тягонапорометра.
Щит управления котла на дровах 1.1 по данным тягонапорометра производит контроль разряжения в топочной камере, блокируя работу вентилятора в случае снижения разряжения в топочной камере, и исключая выбивание дымовых газов из топки в котельный зал. Из топки дымовые газы поступают в первый конвективный пакет, разворачиваются в поворотном коробе и через второй конвективный пакет выходят в газоходы котельной.
Для ручной регулировки тяги и дутья и режимов горения в комплекте котла предусмотрены шиберы. Шибер на воздуховоде подачи в топочный короб регулирует количество воздуха подаваемого вентилятором. Шибер на выходе из котла позволяет произвести отключение котла от общей магистрали газоходов котельной, а также регулировку тяги создаваемой дымососом.
Схема подключения котла с золоуловителем
Золоуловитель для котла на дровах 1.1 обычно требуется устанавливать в котельных расположенных в жилой зоне. Они позволяют произвести дополнительную очистку дымовых газов перед их выбросом в атмосферу. Золоуловители нашего завода могут устанавливаться как сразу за котлом, так и снаружи котельной. Кроме очистки воздуха золоуловители увеличивают сопротивление в газовом тракте, поэтому при их установке требуется дымосос большей мощности.
Схема подключения котла без золоуловителя
Если вам не требуется высокая очистка дымовых газов, котел может работать без золоуловителя. Схема подключения при этом следующая - дымовые газы выходят из котла в газоходы котельной, затем в дымосос и далее снова по газоходам в дымовую трубу. В зависимости от компоновки котельной дымосос может устанавливаться как в котельной, так и на улице. Наш завод производит газоходы и переходники к ним. Получив схему вашей котельной мы можем изготовить для вас комплект газоходов, переходников нужных размеров и сечений. На месте такие детали собираются как конструктор. Обращаем ваше внимание, что газоходы требуют изоляции, для защиты персонала от ожогов, так как уходящие газы имеют высокую температуру, а на улице газоходы требуют изоляции для избежания образования конденсата.
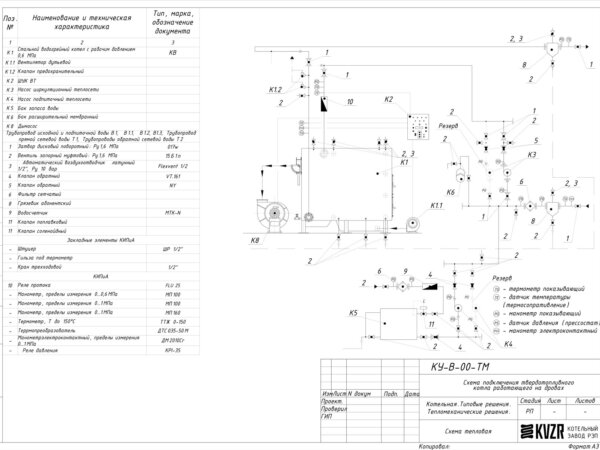
Тепловая схема подключения
На данной схеме приведен образец тепловой схемы подключения котла на дровах 1.1 в котельном зале. При эксплуатации котельного оборудования очень важно грамотно осуществить подключение, установить контрольно-измерительные приборы для контроля параметров работы котельной и запорную арматуру для оперативного переключения потока теплоносителя при плановой или аварийной остановке оборудования. Данную схему можно использовать, как пример для разработки своего объекта или заказать у нас разработку индивидуальной схемы для вашей котельной.
Сертификаты и гарантии котла на дровах 1.1
Водогрейный котел на дровах 1.1 имеет гарантийный срок 24 месяца. Срок работы при соблюдении правил монтажа и эксплуатации оборудования 10 лет.
Сертификат на водогрейные котлы
Сертификат на водогрейные котлы на газе и жидком топливе